|
This review page is supported in part by the sponsor whose ad is displayed above
|
|||||||
![]() |
|||||||
![]() |
|||||||
Reviewer: Jeff Day Vinyl source: Garrard 301, plinth by Terry Cain, Denon 103 phono cartridge, Origin Live Silver tonearm [on loan from Origin Live for the Garrard Project], SME 3012 vintage tonearm [on loan from Jonathan Halpern of Tone Imports], Pete Riggle Audio VTAF (Vertical Tracking Angle on the Fly), Auditorium 23 moving coil step-up transformer [on loan from Jonathan Halpern of Tone Imports], Monolithic Sound phono stage [on loan from Stephaen Harrell for the Garrard Project], Tom Evans Audio Design Groove Plus phono stage [in for review], Fi Yph phono stage [in for review], 47Laboratory Shigaraki phono stage [in for review], 47 Laboratory 4723 phono cartridge [in for review] FM source: Vintage early 1960s Scott 370 FM vacuum tube tuner supported by Yamamoto ebony audio bases from Venus HiFi, Magnum Dynalab ST-2 vertical omnidirectional FM antenna Digital sources: Meridian 508.20 CD player used as a transport with the Audio Logic 2400 vacuum tube DAC Preamplifiers: Tom Evans Audio Design Vibe, Tom Evans Audio Design Vibe Series 7 with Pulse power supply [in for review] Integrated amplifiers: Almarro A205A EL84 single-ended pentode; Sonic Impact Class T digital Amplifiers: Fi 2A3 single-ended triode monoblocks; Tom Evans Audio Design Linear A power amplifier [in for review] Speakers: Avantgarde Duo 2.0, Omega Super 3 & matching Skylan Stands Cables: 47 Laboratory OTA cable kit [in for review], Nirvana S-X interconnects between DAC and preamplifier; Nirvana S-L interconnects between preamplifier and amplifiers; Nirvana S-L speaker cables between amplifiers and speakers; a custom Nirvana wiring harness to connect the Duos midrange and tweeter horns and woofer module; Nirvana Transmission Digital Interface [on loan]; Cardas Neutral Reference digital cable; Auditorium 23 speaker cable [on loan from Jonathan Halpern of Shindo USA] Stands: Atlantis Video Reference equipment rack, Billy Bags 2-shelf rack Power line conditioning: none Room size: 15' x 25' x 8', short-wall setup Review component retail: not applicable |
|||||||
| What's up, doc? If you've read Part 1 of the Garrard Project, you already know that this series of articles is about buying, restoring, hot-rodding and in general having a ball with a 50-year old Garrard 301 transcription turntable. It's the kind of turntable your grandmother or grandfather might have used if they were music lovers or audiophiles in the Golden Age of Audio. |
|||||||
![]() |
|||||||
I find that when I tell most people -- that is, music-loving non-audiophiles -- about the Garrard Project, they get it immediately. "That's so cool," said Kannan, with his significant other Sorcha nodding her head as they looked over the big Garrard while it was playing one of Chad Kassem's delectable test pressings of The Soulful Moods of Gene Ammons. Kannan & Sorcha are new acquaintances that stopped by with a "let's get acquainted" microbrew or two. Kannan saw me carrying my arch top guitar after coming home from John La Chapelle's house in the wake of a jazz guitar lesson. It piqued his interest. "Are you a musician?" Kannan had asked. "Well, I'm more of a student than a musician but I want to be a musician when I grow up," I replied. After a little chatting, I learned that Kannan is a jazz lover with over 2,000 jazz CDs in his collection. The three of us had a great time talking, sipping a few microbrews, laughing and listening to a little music. "The music over the Garrard is so natural and enjoyable," commented Kannan. The two of them were looking over the big system of my Duos & the assortment of Tom Evans gear that's in for review, and then my smaller system with the Omega Super 3s & the Almarro integrated amplifier. "Maybe you could help us pick out a new system? Something between the little one and the big one would be about right," said Kannan. "I'd be glad to," said I, "just let me know when you're ready." Listening to music on the Garrard has that effect on people. It gets them excited about music and HiFi. |
|||||||
| On the other hand, most audiophiles don't get it at first. Most audiophiles look at the Garrard and after a perplexed moment of silence, demand to know "why?". "Glad you asked," I'll retort while walking over to drop the needle into a groove. There are few questions after that. Most audiophiles think that the Garrard 301 transcription turntable represents outdated and antiquated technology because it is from the Golden Age of engineering design. They suffer from that common misconception that sociologist Robert Bierstedt (1913-1998) called temporocentrism. It's the belief that the present day represents the pinnacle of achievement for all things and one whereby people equate newer with better. Of course the marketing folks delight in taking full advantage of temporocentrism to sell the next great breakthrough. Sometimes newer is better but often it's just different and | |||||||
![]() |
|||||||
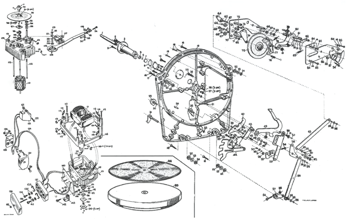
| at times a lot worse. I don't know a single guitar player who would rather have a new Martin D-18 over a 1934 D-18, or a single violinist that would rather play a new violin over one of Antonio Stradivari's Cremona-born creations. I think you get my drift. There are great creations in history that have yet to be surpassed. One look at the Garrard's schematics will reveal that a lot of thought, innovation, passion and superb engineering design went into its creation. |
|||||||
![]() |
|||||||
![]() |
|||||||
Adding a little historical perspective can quickly dash the idea that newer designs are always better in audio. Ask Keith Aschenbrenner of Auditorium 23 what the time he spent researching historic designs did for his perceptions. The only cure for audio temporocentrism is thoughtful and open-minded listening sessions to the achievements of the past to see what those particular historical dimensions mean in the context of listening to music today. Sometimes the results are remarkable, even surprisingly so as with single-ended-triode amplifiers ...and the subject of this article, the much coveted Garrard 301 transcription turntables. |
|||||||
![]() |
|||||||
A few people have known about the performance potential of Garrard 301s for a long time. Take Ken Shindo for example, who has been handcrafting and fine-tuning his interpretation of the ultimate Garrard 301 turntable for 30 years. Ken is the only person I know of in the world today who offers a complete 301 player system as a commercial product. Ken's player is a beautiful creation. Unfortunately and like a mint 1934 Martin D-18 or 1955 Ford T-Bird, it's a very expensive acquisition at $19,800 and out of the financial reach of most music lovers. Then there's Don Garber of Fi who owns the vintage Garrard 301 that Julius Futterman used in his studio while alive. There's also Terry O'Sullivan of Loricraft Audio in the UK who likes Garrards so much that he bought the rights to the name, refurbishes old Garrards and even makes a new iteration of the classic Garrards that he calls the 501. In the USA, there's Jonathan Halpern of Tone Imports who has been building and tweaking Garrards for years and is responsible for getting me started on my own travels down Highway 301. Jonathan is now a devotee of the Shindo approach to making a Garrard sing and imports the Shindo line to the USA. For most of us, if you want a restored and tricked-out Garrard 301 sitting at the center of your HiFi system, you have to roll your own. This is where the Garrard Project enters into the picture. |
|||||||
![]() |
|||||||
![]() |
|||||||
![]() |
|||||||